Product Summary
The qca50b60 is a dual Darlington power transistor module which has series-connected ultra high hFE, high speed, high power Darlington transistors. Each transistor of the qca50b60 has a reverse paralleled fast recovery diode. Applications of the include: Motor Control VVVF , AC/DC Servo, UPS, Switching Power Supply, Ultrasonic Application.
Parametrics
qca50b60 absolute maximum ratings: (1) Collector-Base Voltage VCBO: 400V; (2) Collector-Emitter Voltage VCEX: 400V (VBE=-2V) ; (3) Emitter-Base Voltage VEBO: 10V; (4) Collector Current IC: 50 (100A) ()=pw≤1ms; (5) Reverse Collector Current -Ic: 50A; (6) Base Current IB: 3A; (7) Total power dissipation PT: 300W (Tc=25°C) ; (8) Junction Temperature Tj: -40 to +150°C; (9) Storage Temperature Tstg: -40 to +125°C; (10) Isolation Voltage VISO: 2500V (A.C.1minute) .
Features
qca50b60 features: (1) IC=50A, VCEX=400V; (2) Low saturation voltage for higher efficiency; (3) ULTRAHIGH DC current gain hFE . hFE≥750; (4) Isolated mounting base; (5) VEBO 10Vfor faster switching speed
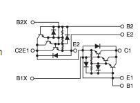
Diagrams

(China (Mainland))






