Product Summary
The PM20CHA060 is an intelligent power module. It is designed for applications requiring a high frequency(20kHz) output switching inverter. The PM20CHA060 is isolated from the baseplate, consisting of complete drive, control and protection circuitry for the IGBT inverter. The applications of the PM20CHA060 are Inverters, small UPS, Motion/Servo Control, AC motor control.
Parametrics
PM20CHA060 absolute maximum ratings: (1)Power Device Junction Temperature: -20℃ to 150℃; (2)Storage Temperature: -40℃ to 125℃; (3)Case Operating Temperature: -20℃ to 100℃; (4)Mounting Torque, M5 Mounting Screws: 17kg-cm; (5)Module Weight (Typical): 90 Grams; (6)Supply Voltage Protected by OC and SC (VD = 13.5V to 16.5V, Inverter Part): 400 Volts; (7)Isolation Voltage (Main Terminal to Baseplate, AC 1 min.): 2500 Vrms.
Features
PM20CHA060 features: (1)Complete Output Power Circuit; (2)Gate Drive Circuit; (3)Protection Logic: Short Circuit, Over Current, Over Temperature, Under Voltage.
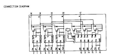
Diagrams

(China (Mainland))






