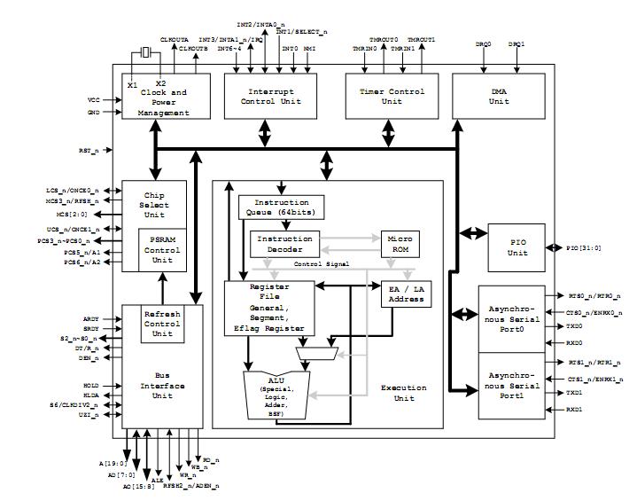
Product Summary
The R8830D is a 16-bit RISC microcontroller.
Features
R8830D features: (1) CPU Core; (2) Bus interface; (3) ROM/RAM Controller and Addressing Space; (4) PSRAM Interface; (5) Compatible UART Channels; (6) Two Independent DMA Channels; (7) Asynchronous Serial Channels; (8) Programmable Chip-select Logic; (9) Programmable Wait-state Generator; (10) Power Save and Power Down Mode Support.
Diagrams

(China (Mainland))






