Product Summary
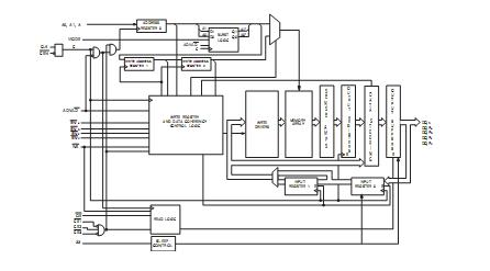
The CY7C1470BV33-200BZXI is a ynchronous pipelined burst SRAMwith No Bus Latency logic, respectively. The CY7C1470BV33-200BZXI is designed to support unlimited true back-to-back read or write operations with no wait states. The CY7C1470BV33-200BZXI is equipped with the advanced (NoBL) logic required to enable consecutive read or write operations with data being transferred on every clock cycle.
Parametrics
CY7C1470BV33-200BZXI absolute maximum ratings: (1) Storage Temperature: -65 to +150°C; (2) Ambient Temperature with Power Temperature with power supplied: -55 to +125°C; (3) Supply Voltage on VDD Relative to GND: -0.5 to +4.6V; (4) Supply Voltage on VDDQ Relative to GND: -0.5 to +VDD; (5) DC to Outputs in Tri-State: -0.5 to VDDQ +0.5V; (6) DC Input Voltage: -0.5 to VDD +0.5V; (7) DC Input Voltage (LOW) : 20mA; (8) Static Discharge Voltage: > 2001V; (9) Latch Up Current: > 200mA.
Features
CY7C1470BV33-200BZXI features: (1) Pin-compatible and functionally equivalent to ZBT; (2) Supports 250 MHz bus operations with zero wait states; (3) Internally self-timed output buffer control to eliminate the need to use a synchronous OE; (4) Fully registered (inputs and outputs) for pipelined operation; (5) Byte Write capability; (6) Synchronous self-timed writes; (7) IEEE 1149.1 JTAG Boundary Scan compatible; (8) Burst capability!alinear or interleaved burst order.
Diagrams
t
| Image | Part No | Mfg | Description | ![]() |
Pricing (USD) |
Quantity | ||||||||||||
|---|---|---|---|---|---|---|---|---|---|---|---|---|---|---|---|---|---|---|
![]() |
![]() CY7C1470BV33-200BZXI |
![]() Cypress Semiconductor |
![]() SRAM 2Mx36 3.3V NoBL PL SRAM |
![]() Data Sheet |
![]()
|
|
||||||||||||
| Image | Part No | Mfg | Description | ![]() |
Pricing (USD) |
Quantity | ||||||||||||
![]() |
![]() CY7C006 |
![]() Other |
![]() |
![]() Data Sheet |
![]() Negotiable |
|
||||||||||||
![]() |
![]() CY7C006A |
![]() Other |
![]() |
![]() Data Sheet |
![]() Negotiable |
|
||||||||||||
![]() |
![]() CY7C006A-15AXC |
![]() Cypress Semiconductor |
![]() SRAM 5V 16Kx8 COM Dual Port SRAM |
![]() Data Sheet |
![]() Negotiable |
|
||||||||||||
![]() |
![]() CY7C006A-15AXCT |
![]() Cypress Semiconductor |
![]() SRAM 5V 16Kx8 COM Dual Port SRAM |
![]() Data Sheet |
![]() Negotiable |
|
||||||||||||
![]() |
![]() CY7C006A-20AC |
![]() |
![]() IC SRAM 16KX8 DUAL 64LQFP |
![]() Data Sheet |
![]() Negotiable |
|
||||||||||||
![]() |
![]() CY7C006A-20AXC |
![]() Cypress Semiconductor |
![]() SRAM 5V 16Kx8 COM Dual Port SRAM |
![]() Data Sheet |
![]()
|
|
||||||||||||
(China (Mainland))












