Product Summary
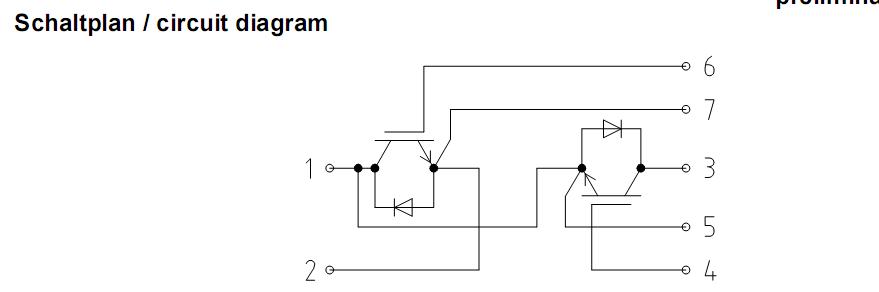
The ff200r06ke3 is a 62mm C-Series module with trench/fieldstop IGBT3 and EmCon3 diode.
Parametrics
ff200r06ke3 absolute maximum ratings: (1) collector-emitter voltage VCES: 600V (Tvj=25°C) ; (2) DC-collector current IC nom: 450A (Tc=100°C, Tvj=175°C) , Ic: 260A (Tc=25°C, Tvj=175°C) ; (3) repetitive collector current ICRM: 400A (tp=1ms) ; (4) total power dissipation Ptot: 680W (Tc=25°C, Tvj=175°C) ; (5) gate-emitter peak voltage VGES: ±20V.
Features
ff200r06ke3 features: (1) collector-emitter saturation voltage VCE sat: 1.45 to 1.9V (IC=200A, VGE=15V, Tvj=25°C) , 1.6V (IC=200A, VGE=15V, Tvj=125°C) , 1.7V (IC=200A, VGE=15V, Tvj=150°C) ; (2) gate thresold voltage VGEtn: 4.9 to 6.5V (Ic=3.2mA, VCE=VGE, Tvj=25°C) ; (3) internal gate resistor RGin: 1Ω (Tvj=25°C) ; (4) collector-emitter cut-off currentICES: 5mA (VCE=600V, VGE=0V, Tvj=25°C) ; (5) gate-emitter leakage current IGES: 400nA (VCE=0V, VGE=20V, Tvj=25°C) .
Diagrams

| Image | Part No | Mfg | Description | ![]() |
Pricing (USD) |
Quantity | ||||||||
|---|---|---|---|---|---|---|---|---|---|---|---|---|---|---|
![]() |
![]() FF200R06KE3 |
![]() Infineon Technologies |
![]() IGBT Modules N-CH 600V 260A |
![]() Data Sheet |
![]()
|
|
||||||||
| Image | Part No | Mfg | Description | ![]() |
Pricing (USD) |
Quantity | ||||||||
![]() |
![]() FF200R06KE3 |
![]() Infineon Technologies |
![]() IGBT Modules N-CH 600V 260A |
![]() Data Sheet |
![]()
|
|
||||||||
![]() |
![]() FF200R06ME3 |
![]() Infineon Technologies |
![]() IGBT Modules IGBT 600V 200A |
![]() Data Sheet |
![]()
|
|
||||||||
![]() |
![]() FF200R06YE3 |
![]() Infineon Technologies |
![]() IGBT Modules IGBT 600V 200A |
![]() Data Sheet |
![]()
|
|
||||||||
![]() |
![]() FF200R06YE3ENG |
![]() Infineon Technologies |
![]() IGBT Modules |
![]() Data Sheet |
![]()
|
|
||||||||
![]() |
![]() FF200R12KE3 |
![]() Infineon Technologies |
![]() IGBT Transistors 1200V 200A DUAL |
![]() Data Sheet |
![]()
|
|
||||||||
![]() |
![]() FF200R12KE3_B2 |
![]() Infineon Technologies |
![]() IGBT Modules N-CH 1.2KV 295A |
![]() Data Sheet |
![]()
|
|
||||||||
(China (Mainland))









