Product Summary
The 7MBR10KA060 is an IGBT module. The applications of the 7MBR10KA060 include Inverter for motor drive, AC and DC servo drive amplifier, Uninterruptible power supply.
Parametrics
7MBR10KA060 absolute maximum ratings: (1)Inverter, Collector-Emitter voltage, VCES: 600V; (2)Inverter, Gate-Emitter voltage, VGES: ±20V; (3)Inverter, Collector current, IC: 100A; ICP: 200A; -IC: 100A; (4)Inverter, Collector power dissipation, PC: 400W; (5)Brake, Collector-Emitter voltage, VCES: 600V; (6)Brake, Gate-Emitter voltage, VGES: ±20V; (7)Brake, Collector current, IC: 50A; ICP: 100A; (8)Brake, Collector power dissipation, PC: 200W; (9)Brake, Repetitive peak reverse voltage, VRRM: 600V.
Features
7MBR10KA060 features: (1)Low VCE(sat); (2)Compact package; (3)P.C. board mount; (4)Converter diode bridge, Dynamic brake circuit.
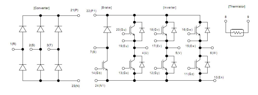
Diagrams

(China (Mainland))






