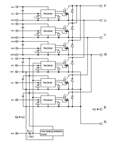
Product Summary
The 6MBP75NA-060 is an intelligent power module.
Parametrics
6MBP75NA-060 absolute maximum ratings: (1)DC bus voltage, VDC: 0 to 450V; DC bus voltage (surge), VDC(surge): 0 to 500V; DC bus voltage (short operating), VSC: 200 to 400V; (2)Collector-Emitter voltage, VCES: 0 to 600V; (3)INV, Collector current, DC, IC: 75A; 1ms, ICP: 150A; Duty=74.9%, -IC: 75A; (4)Collector power dissipation, One transistor, PC: 198W; (5)Junction temperature, TJ: 150℃; (6)Input voltage of power supply for Pre-Driver, VCC: -0.5 to 20V; (7)Input signal voltage, Vin: -0.5 to Vcc+0.5 V; (8)Input signal current, Iin: 3mA; (9)Alarm signal voltage, VALM: -0.5 to Vcc V; (10)Alarm signal current, VALM: 20mA ; (11)Storage temperature, Tstg: -40 to 125℃; (12)Operating case temperature, Topr: -20 to 100℃; (13)Isolating voltage (Case-Terminal), Viso: AC2.5kV; (14)Screw torque Mounting (M5): 3.5N·m; Terminal (M5): 3.5N·m.
Features
6MBP75NA-060 features: (1)Temperature protection provided by directly detecting the junction temperature of the IGBTs; (2)Low power loss and soft switching; (3)High performance and high reliability IGBT with overheating protection; (4)Higher reliability because of a big decrease in number of parts in built-in control circuit.
Diagrams

(China (Mainland))






