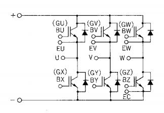
Product Summary
The 6MBI15F-120 is an IGBT module. It is suitable for inverter for motor drive, ACDC servo drive amplifer, uninterruptible power supply and industrial machines, such as welding machines.
Parametrics
6MBI15F-120 absolute maximum ratings: (1)VCES: 600V; (2)VGES: ±20V; (3)IC: 15A; (4)IC pulse: 30A; (5)-IC: 15A; (6)-IC pulse: 30A; (7)PC: 60W; (8)Tj: 150℃; (9)Tstg: -40 to 125℃.
Features
6MBI15F-120 features: (1)low saturation voltage; (2)voltage drive; (3)variety of power capacity series.
Diagrams

(China (Mainland))






