Product Summary
The IRFP450 is an N-channel 500V, 0.32Ω powermesh mosfet. The IRFP450 is designed using the consolidated strip layout-based MESH Overlay process. Applications of the IRFP450 include: high current switching, uninterruptible power supply (UPS) , DC/DC converters for telecom, industrial and lighting equipment.
Parametrics
IRFP450 absolute maximum ratings: (1) Drain-source Voltage (VGS=0) VDS: 500V; (2) Drain-gateVoltage(RGS=20kΩ) , VDGR: 500V; (3) Gate-sourceVoltage VGS: ±20V; (4) Drain Current (continuous) at Tc=25°C, ID: 14A; (5) Drain Current (continuous) at Tc=100°C, ID: 8.7A; (6) Drain Current (pulsed) IDM: 56A; (7) Total Dissipationat Tc=25°C, Ptot: 190W; (8) Derating Factor: 1.5W/°C; (9) Peak Diode Recovery voltage slope dv/dt: 3.5V/ns; (9) Storage Temperature Tstg: -65 to 150°C; (10) Max. Operating Junction Temperature Tj: 150°C.
Features
IRFP450 features: (1) typical RDS=0.33Ω; (2) Extremely high dv/dt capacity; (3) 100% avalance tested; (4) very low intrinsic capacitances; (5) gate charge minized.
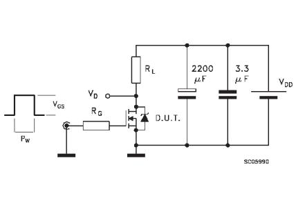
Diagrams

| Image | Part No | Mfg | Description | ![]() |
Pricing (USD) |
Quantity | ||||||||||||
|---|---|---|---|---|---|---|---|---|---|---|---|---|---|---|---|---|---|---|
![]() |
![]() IRFP450 |
![]() Vishay/Siliconix |
![]() MOSFET N-Chan 500V 14 Amp |
![]() Data Sheet |
![]()
|
|
||||||||||||
![]() |
![]() IRFP450, SiHFP450 |
![]() Other |
![]() |
![]() Data Sheet |
![]() Negotiable |
|
||||||||||||
![]() |
![]() IRFP450A |
![]() Vishay/Siliconix |
![]() MOSFET N-Chan 500V 14 Amp |
![]() Data Sheet |
![]()
|
|
||||||||||||
![]() |
![]() IRFP450_R4943 |
![]() Fairchild Semiconductor |
![]() MOSFET TO-247 N-Ch Power |
![]() Data Sheet |
![]() Negotiable |
|
||||||||||||
![]() |
![]() IRFP450A_R4944 |
![]() Fairchild Semiconductor |
![]() MOSFET TO-3P |
![]() Data Sheet |
![]() Negotiable |
|
||||||||||||
![]() |
![]() IRFP450A, SiHFP450A |
![]() Other |
![]() |
![]() Data Sheet |
![]() Negotiable |
|
||||||||||||
![]() |
![]() IRFP450LCPBF |
![]() Vishay/Siliconix |
![]() MOSFET N-Chan 500V 14 Amp |
![]() Data Sheet |
![]()
|
|
||||||||||||
![]() |
![]() IRFP450APBF |
![]() Vishay/Siliconix |
![]() MOSFET N-Chan 500V 14 Amp |
![]() Data Sheet |
![]()
|
|
||||||||||||
(China (Mainland))










