Product Summary
The VLA517-01R is an IGBT modlue.
Parametrics
VLA517-01R absolute maximum ratings: (1)VCC, power supply voltage: 25V; (2)Iin, photo coupler input current: 25mA; (3)Ig1, forward bias output current: 4.0A; (4)Ig2, reverse bias output current: 4.0A; (5)VISO, isolation voltage: 2500Vrms; (6)Topr, operation temperature: -25 to 60℃; (7)Tc, case temperature: -25 to 85℃; (8)Tstg, storage temperature: -25 to 125℃.
Features
VLA517-01R features: (1)Number of Pins 15; (2)Polarity N-Channel; (3)RoHS Compliant.
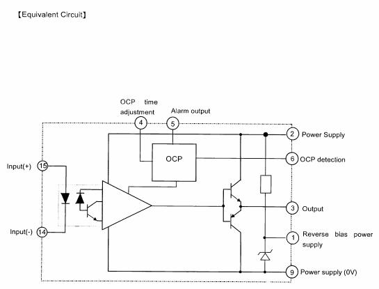
Diagrams

(China (Mainland))






