Product Summary
The rm400ha-24s is a high speed switching use insulated type fast recovery diode module.
Parametrics
rm400ha-24s absolute maximum ratings: (1) Repetitive peak reverse voltage VRRM: 1000V; (2) Non-repetitive peak reverse voltage VDRM: 1100V; (3) DC) Reverse DC voltage VR (DC) : 800V; (4) DC current IDC: 400A (Resistive load, TC=90°C) ; (5) Surge (non-repetitive) forward current IFSM: 8000A (One half cycle at 60Hz, peak value) ; (6) Junction temperature Tj: -40 to +150°C; (7) Storage temperature  Tstg: -40 to +125°C; (8) Isolation voltage Viso: 2500V (Charged part to case) .
Features
rm400ha-24s features: (1) DC current IDC: 400A; (2) Repetitive peak reverse voltage VRRM: 1000/1200V; (3) Reverse recovery time trr: 0.4μs; (4) Insulated Type; (5) UL Recognized.
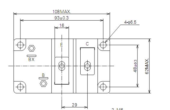
Diagrams

| Image | Part No | Mfg | Description |  | Pricing (USD) | Quantity | ||||||
|---|---|---|---|---|---|---|---|---|---|---|---|---|
|  |  RM400HA-24S |  |  DIODE FAST REC SGL 1200V 400A |  Data Sheet |  
 |  | ||||||
| Image | Part No | Mfg | Description |  | Pricing (USD) | Quantity | ||||||
|  |  RM4000 |  Tektronix |  Test Accessories - Other Rackmount Kit for DPO4000/MSO4000 |  Data Sheet |  Negotiable |  | ||||||
|  |  RM400DY-66S |  Other |  |  Data Sheet |  Negotiable |  | ||||||
|  |  RM400HA-20S |  Other |  |  Data Sheet |  Negotiable |  | ||||||
|  |  RM400HA-24S |  |  DIODE FAST REC SGL 1200V 400A |  Data Sheet |  
 |  | ||||||
|  |  RM400HA-34S |  |  DIODE SUPER FAST SGL 1700V 400A |  Data Sheet |  
 |  | ||||||
|  |  RM400HV-34S |  Other |  |  Data Sheet |  Negotiable |  | ||||||
 (China (Mainland))
 (China (Mainland)) 
                         
                        
 
                                    




