Product Summary
qca100ba60 is a dual Darlington power transistor module which has series-connected ultra high hFE, high speed, high power Darlington transistors.The mounting base of the module is electrically isolated from Semiconductor elements for simple heatsink construction. Applications of the include: Motor Control VVVF , AC/DC Servo, UPS, Switching Power Supply, Ultrasonic Application.
Parametrics
qca100ba60 absolute maximum ratings: (1) Collector-Base Voltage VCBO: 600V; (2) Collector-Emitter Voltage VCEX: 600V (VBE=-2V) ; (3) Emitter-Base Voltage VEBO: 10V; (4) Collector Current IC: 100 (200A) ()=pw≤1ms; (5) Reverse Collector Current -Ic: 100A; (6) Base Current IB: 6A; (7) Total power dissipation PT: 620w (Tc=25°C) ; (8) Junction Temperature Tj: -40 to +150°C; (9) Storage Temperature Tstg: -40 to +125°C; (10) Isolation Voltage VISO: 2500V (A.C.1minute) .
Features
qca100ba60 features: (1) IC=100A, VCEX=600V; (2) Low saturation voltage for higher efficiency; (3) ULTRAHIGH DC current gain hFE . hFE≥750; (5) Isolated mounting base; (6) VEBO 10Vfor faster switching speed.
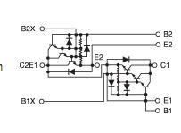
Diagrams

| Image | Part No | Mfg | Description | ![]() |
Pricing (USD) |
Quantity | ||||
|---|---|---|---|---|---|---|---|---|---|---|
![]() |
![]() QCA100BA60 |
![]() Other |
![]() |
![]() Data Sheet |
![]() Negotiable |
|
||||
| Image | Part No | Mfg | Description | ![]() |
Pricing (USD) |
Quantity | ||||
![]() |
![]() QCA100A |
![]() Other |
![]() |
![]() Data Sheet |
![]() Negotiable |
|
||||
![]() |
![]() QCA100A40 |
![]() Other |
![]() |
![]() Data Sheet |
![]() Negotiable |
|
||||
![]() |
![]() QCA100A60 |
![]() Other |
![]() |
![]() Data Sheet |
![]() Negotiable |
|
||||
![]() |
![]() QCA100AA100 |
![]() Other |
![]() |
![]() Data Sheet |
![]() Negotiable |
|
||||
![]() |
![]() QCA100AA120 |
![]() Other |
![]() |
![]() Data Sheet |
![]() Negotiable |
|
||||
![]() |
![]() QCA100BA60 |
![]() Other |
![]() |
![]() Data Sheet |
![]() Negotiable |
|
||||
(China (Mainland))









