Product Summary
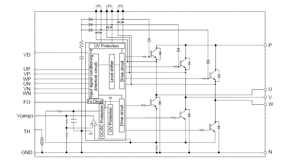
The PS12038 is a Specific Intelligent Power Module. It is designed for acoustic noise-less 3.7kW/400V AC Class 3 phase inverters, motor control applications, and motors with built-in small size inverter package.
Parametrics
PS12038 absolute maximum ratings: (1)VCC Supply voltage: 900V; (2)VCC(surge) Supply voltage (surge): 1000V; (3)VP or VN Each IGBT collector-emitter static voltage: 1200V; (4)VP(S) or VN(S) Each IGBT collector-emitter switching voltage: 1200V; (5)±Ic(±Icp) Each IGBT collector current: ±25 (±50)A.
Features
PS12038 features: (1)3 phase IGBT inverter bridge configured by the latest 3rd. generation IGBT and diode technology; (2)Inverter output current capability IO.
Diagrams

| Image | Part No | Mfg | Description |  | Pricing (USD) | Quantity | ||||||
|---|---|---|---|---|---|---|---|---|---|---|---|---|
|  |  PS12038 |  |  MOD IPM 3PHASE IGBT 1200V 25A |  Data Sheet |  Negotiable |  | ||||||
| Image | Part No | Mfg | Description |  | Pricing (USD) | Quantity | ||||||
|  |  PS120 |  Apex Tool Group (Formerly Cooper Tools) |  Screwdrivers, Nut Drivers & Socket Drivers Xcelite Nutdvr Set 11 Pcs, Inch Sizes |  Data Sheet |  
 |  | ||||||
|  |  PS1200 |  Other |  |  Data Sheet |  Negotiable |  | ||||||
|  |  PS1201 |  Clare |  Triac & SCR Output Optocouplers NO PC-Mount 1-CHANNEL SIP |  Data Sheet |  Negotiable |  | ||||||
|  |  PS12012-A |  |  MOD IPM 3PHASE IGBT 1200V 5A |  Data Sheet |  Negotiable |  | ||||||
|  |  PS12013-A |  |  MOD IPM 3PHASE IGBT 1200V 5A |  Data Sheet |  Negotiable |  | ||||||
|  |  PS12014- PS12014-A |  Other |  |  Data Sheet |  Negotiable |  | ||||||
 (China (Mainland))
 (China (Mainland)) 
                         
                        
 
                                    




