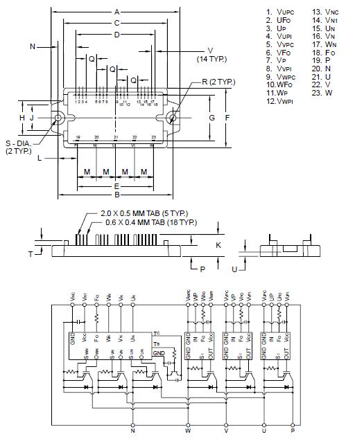
Product Summary
The PM400HSA120 is an isolated base module designed for power switching applications operating at frequencies to 20kHz. Built-in control circuits provide optimum gate drive and protection for the IGBT and free-wheel diode power devices. Applications of the PM400HSA120 include Inverters, UPS, Motion/Servo Control and Power Supplies.
Parametrics
PM400HSA120 absolute maximum ratings: (1)Power Device Junction Temperature: -20 to 150℃; (2)Storage Temperature: -40 to 125℃; (3)Case Operating Temperature: -20 to 100℃; (4)Module Weight (Typical): 60 Grams; (5)Supply Voltage Protected by OC and SC (VD = 13.5 - 16.5V, Inverter Part): 400 Volts; (6)Isolation Voltage (Main Terminal to Baseplate, AC 1 min.): 2500 Vrms.
Features
PM400HSA120 features: (1)Complete Output Power Circuit; (2)Gate Drive Circuit; (3)Protection Logic.
Diagrams

| Image | Part No | Mfg | Description |  | Pricing (USD) | Quantity | ||||||||||||
|---|---|---|---|---|---|---|---|---|---|---|---|---|---|---|---|---|---|---|
|  |  PM400HSA120 |  |  MOD IPM SGL 1200V 400A |  Data Sheet |  
 |  | ||||||||||||
| Image | Part No | Mfg | Description |  | Pricing (USD) | Quantity | ||||||||||||
|  |  PM400DSA060 |  |  MOD IPM DUAL 600V 400A |  Data Sheet |  Negotiable |  | ||||||||||||
|  |  PM400DVA060 |  |  MOD IPM V-SER DUAL 600V 400A |  Data Sheet |  Negotiable |  | ||||||||||||
|  |  PM400HSA120 |  |  MOD IPM SGL 1200V 400A |  Data Sheet |  
 |  | ||||||||||||
|  |  PM40-100K |  J.W. Miller |  RF Inductors 10uH 10% |  Data Sheet |  Negotiable |  | ||||||||||||
|  |  PM40-100K-RC |  J.W. Miller |  Power Inductors 10uH 10% |  Data Sheet |  
 |  | ||||||||||||
|  |  PM40-101K |  J.W. Miller |  RF Inductors 100UH 4.5X3.2X3.2 |  Data Sheet |  Negotiable |  | ||||||||||||
 (China (Mainland))
 (China (Mainland)) 
                         
                        
 
                                    




