Product Summary
The FS150R12KT3 is an IGBT module.
Parametrics
FS150R12KT3 absolute maximum ratings: (1) collector-emitter voltage, VCES: 1200V; (2) DC-collector current, IC: 200A; (3) repetitive peak collector current, ICRM: 300A; (4) total power dissipation, Ptot: 700W; (5) gate-emitter peak voltage, VGES: ±20V.
Features
FS150R12KT3 features: (1) forward voltage, VF: 1.65 to 2.15V; (2) peak reverse recovery current, IRM: 190A; (3) recovered charge, Qr: 17.0μC; (4) reverse recovery energy, Erec: 700mJ; (5) thermal resistance, junction to case, RthJC: 0.34K/W.
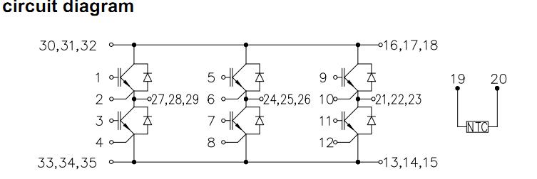
Diagrams

| Image | Part No | Mfg | Description |  | Pricing (USD) | Quantity | ||||||||||
|---|---|---|---|---|---|---|---|---|---|---|---|---|---|---|---|---|
|  |  FS150R12KT3 |  Infineon Technologies |  IGBT Modules N-CH 1.2KV 200A |  Data Sheet |  
 |  | ||||||||||
| Image | Part No | Mfg | Description |  | Pricing (USD) | Quantity | ||||||||||
|  |  FS1501-7R |  |  EURO-CASSETTE 100W 15V |  Data Sheet |  
 |  | ||||||||||
|  |  FS150R06KE3 |  Infineon Technologies |  IGBT Modules IGBT MODULES 600V |  Data Sheet |  
 |  | ||||||||||
|  |  FS150R12KE3 |  Infineon Technologies |  IGBT Modules 1200V 150A FL BRIDGE |  Data Sheet |  
 |  | ||||||||||
|  |  FS150R12KE3G |  Infineon Technologies |  IGBT Modules 1200V 150A 3-PHASE |  Data Sheet |  
 |  | ||||||||||
|  |  FS150R12KT3 |  Infineon Technologies |  IGBT Modules N-CH 1.2KV 200A |  Data Sheet |  
 |  | ||||||||||
|  |  FS150R12KT4 |  Infineon Technologies |  IGBT Modules IGBT MODULE 1200V, 150A |  Data Sheet |  
 |  | ||||||||||
 (China (Mainland))
 (China (Mainland)) 
                         
                        
 
                                    




