Product Summary
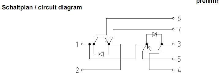
The ff400r06ke3 is a 62mm C-Series module with trench/fieldstop IGBT3 and EmCon3 diode.
Parametrics
ff400r06ke3 absolute maximum ratings: (1) collector-emitter voltage VCES: 600V (Tvj=25°C) ; (2) DC-collector current IC nom: 500A (Tc=25°C, Tvj=175°C) ; (3) repetitive collector current ICRM: 800A (tp=1ms) ; (4) total power dissipation Ptot: 1250W (Tc=25°C, Tvj=175°C) ; (5) gate-emitter peak voltage VGES: ±20V.
Features
ff400r06ke3 features: (1) collector-emitter saturation voltage VCE sat: 160V (I50°C) ; (2) gate thresold voltage VGEth: 49 to 65V (Ic=640mA, VCE=VGE, Tvj=25°C) ; (3) internal gate resistor RGint: 10Ω (Tvj=25°C) ; (4) collector-emitter cut-off current ICES: 50mA (VCE=600V, VGE=0V, Tvj=25°C) ; (5) gate-emitter leakage current IGES: 400nA (VCE=0V, VGE=20V, Tvj=25°C) .
Diagrams

| Image | Part No | Mfg | Description | ![]() |
Pricing (USD) |
Quantity | ||||||||||||
|---|---|---|---|---|---|---|---|---|---|---|---|---|---|---|---|---|---|---|
![]() |
![]() FF400R06KE3 |
![]() Infineon Technologies |
![]() IGBT Modules 600V 400A DUAL |
![]() Data Sheet |
![]()
|
|
||||||||||||
| Image | Part No | Mfg | Description | ![]() |
Pricing (USD) |
Quantity | ||||||||||||
![]() |
![]() FF400R06KE3 |
![]() Infineon Technologies |
![]() IGBT Modules 600V 400A DUAL |
![]() Data Sheet |
![]()
|
|
||||||||||||
![]() |
![]() FF400R06ME3 |
![]() Infineon Technologies |
![]() IGBT Modules IGBT 600V 400A |
![]() Data Sheet |
![]()
|
|
||||||||||||
![]() |
![]() FF400R12KE3 |
![]() Infineon Technologies |
![]() IGBT Modules 1200V 400A DUAL HALF BRIDGE |
![]() Data Sheet |
![]()
|
|
||||||||||||
![]() |
![]() FF400R12KE3_B2 |
![]() Infineon Technologies |
![]() IGBT Modules N-CH 1.2KV 580A |
![]() Data Sheet |
![]()
|
|
||||||||||||
![]() |
![]() FF400R12KF4 |
![]() Infineon Technologies |
![]() IGBT Modules 1200V 400A DUAL |
![]() Data Sheet |
![]() Negotiable |
|
||||||||||||
![]() |
![]() FF400R12KL4C |
![]() Infineon Technologies |
![]() IGBT Modules 1200V 400A DUAL |
![]() Data Sheet |
![]()
|
|
||||||||||||
(China (Mainland))









