Product Summary
The CM300YE2N-12F is an IGBT module. Its applications include three level inverter topologies, Solar power inverters, High efficiency UPS, Long motor lead applications.
Parametrics
CM300YE2N-12F absolute maximum rating: (1)Junction tempeature: -40 to 150℃; (2)Storage temperature: -40 to 125℃; (3)Collector-emitter voltage: 600V; (4)Gate-emitter voltage: ±20V; (5)Collector current: 300A; (6)Peak collector current: 600A; (7)Peak emitter current: 600A.
Features
CM300YE2N-12F features: (1)smaller output voltage steps reducing surge voltage; (2)low output ripple current; (3)lower modulation frequency with same quality output waveform.
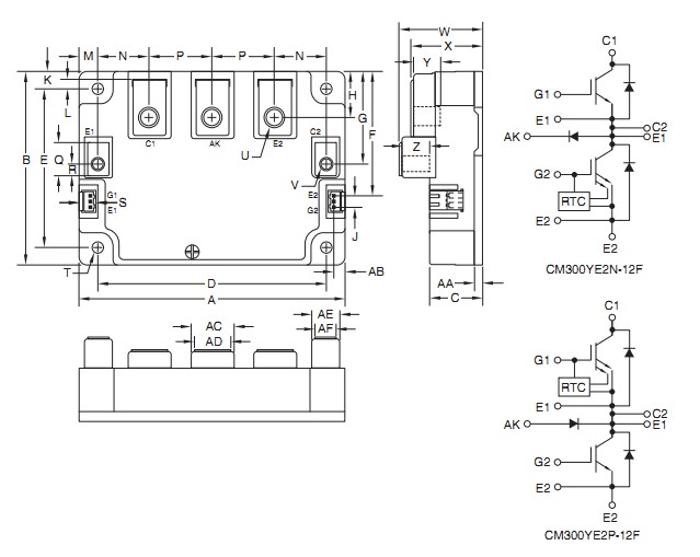
Diagrams

 (China (Mainland))
 (China (Mainland)) 
                         
                        
 
                                    




