Product Summary
The cm150dy-24h is a high power switching use insulated type Mitsubishi IGBT module. The cm150dy-24h is designed for use in switching applications. The cm150dy-24h consists of two IGBTs in a half-bridge configuration with each transistor having a reverse-connected super-fast recovery free-wheel diode. All components and interconnects of the cm150dy-24h are isolated from the heat sinking base-plate, offering simplified system assembly and thermal management. Applications of the cm150dy-24h include: AC Motor Control, Motion/Servo Control, UPS and Welding Power Supplies
Parametrics
cm150dy-24h absolute maximum ratings: (1) Junction Temperature Tj: -40 to 150°C; (2) Storage Temperature Tstg: -40 to 125°C; (3) Collector-Emitter Voltage (G-E SHORT) VCES: 1200V; (4) Gate-Emitter Voltage (C-E SHORT) VGES: ±20V; (5) Collector Current (TC=25°C) Ic: 150A; (6) Peak Collector Current ICM: 300A; (7) Emitter Current** (TC=25°C) IE: 150A; (8) Peak Emitter Current IEM: 300A; (9) Maximum Collector Dissipation (TC=25°C, TJ≤150°C) Pc: 1100W; (10) Isolation Voltage (Main Terminal to Baseplate, AC 1 min.) Viso: 2500V.
Features
cm150dy-24h features: (1) Low Drive Power; (2) Low VCE (sat) ; (3) Discrete Super-Fast Recovery Free-Wheel Diode; (4) High Frequency Operation; (5) Isolated Baseplate for Easy Heat Sinking.
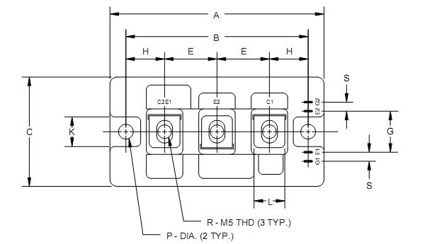
Diagrams

| Image | Part No | Mfg | Description | ![]() |
Pricing (USD) |
Quantity | ||||
|---|---|---|---|---|---|---|---|---|---|---|
![]() |
![]() CM150DY-24H |
![]() |
![]() IGBT MOD DUAL 1200V 150A H SER |
![]() Data Sheet |
![]() Negotiable |
|
||||
| Image | Part No | Mfg | Description | ![]() |
Pricing (USD) |
Quantity | ||||
![]() |
![]() CM15 |
![]() Other |
![]() |
![]() Data Sheet |
![]() Negotiable |
|
||||
![]() |
![]() CM1500 |
![]() Other |
![]() |
![]() Data Sheet |
![]() Negotiable |
|
||||
![]() |
![]() CM15001W |
![]() Other |
![]() |
![]() Data Sheet |
![]() Negotiable |
|
||||
![]() |
![]() CM15002W |
![]() Other |
![]() |
![]() Data Sheet |
![]() Negotiable |
|
||||
![]() |
![]() CM15003W |
![]() Other |
![]() |
![]() Data Sheet |
![]() Negotiable |
|
||||
![]() |
![]() CM15004W |
![]() Other |
![]() |
![]() Data Sheet |
![]() Negotiable |
|
||||
(China (Mainland))










