Product Summary
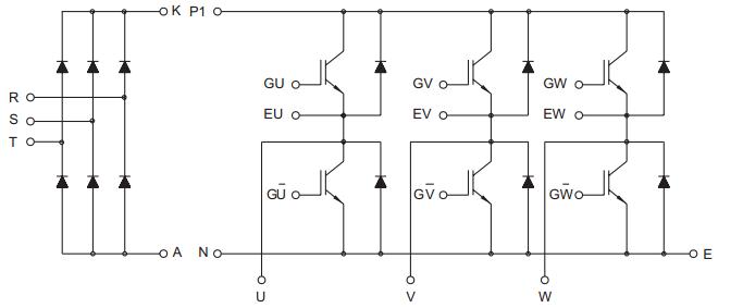
The cm10md1-12h is a Powerex CI module. The cm10md1-12h is designed for use in switching applications. The cm10md1-12h consists of one IGBT in a single configuration with a reverse-connected super-fast recovery free-wheel diode. All components and interconnects of the cm10md1-12h are isolated from the heat sinking baseplate, offering simplified system assembly and thermal management. Applications of the cm10md1-12h include: AC Motor Control, Motion/Servo Control, general purpos inverters and robotics.
Parametrics
cm10md1-12h absolute maximum ratings: (1) Power Device Junction Temperature Tj: -40 to 150°C; (2) Storage Temperature Tstg: -40 to 125°C; (3) Mounting Torque, M4 Mounting Screws: 13in-lb; (4) Isolation Voltage, AC 1 minute, 60Hz VRMS: 2500V; (5) Repetitive Peak Reverse Voltage VRRM: 800V; (6) Recommended AC Input Voltage Ea: 220V; (7) DC Output Current Io: 20mA; (8) Surge (Non-repetitive) Forward Current IFSM: 300A; (9) Collector Current Ic: 10A; (10) Maximum Collector Dissipation Pc: 36W.
Features
cm10md1-12h features: (1) Low Drive Power; (2) Low VCE(sat) ; (3) Discrete Super-Fast Recovery Free-Wheel Diode; (4) High Frequency Operation;(5) Isolated Baseplate for Easy Heat Sinking.
Diagrams

| Image | Part No | Mfg | Description | ![]() |
Pricing (USD) |
Quantity | ||||||
|---|---|---|---|---|---|---|---|---|---|---|---|---|
![]() |
![]() CM10MD1-12H |
![]() Other |
![]() |
![]() Data Sheet |
![]() Negotiable |
|
||||||
| Image | Part No | Mfg | Description | ![]() |
Pricing (USD) |
Quantity | ||||||
![]() |
![]() CM10 |
![]() |
![]() FPE04-6U NO FRONT PANEL |
![]() Data Sheet |
![]()
|
|
||||||
![]() |
![]() CM100 |
![]() AMPROBE |
![]() Environmental Test Equipment CARBON MONOXIDE W/ADJUST CO |
![]() Data Sheet |
![]() Negotiable |
|
||||||
![]() |
![]() CM1000 |
![]() Other |
![]() |
![]() Data Sheet |
![]() Negotiable |
|
||||||
![]() CM1000DU-34NF |
![]() |
![]() IGBT MOD DUAL 1700V 1000A NF SER |
![]() Data Sheet |
![]() Negotiable |
|
|||||||
![]() |
![]() CM1000HA-24H |
![]() |
![]() IGBT MOD SGL 1200V 1000A H SER |
![]() Data Sheet |
![]() Negotiable |
|
||||||
![]() |
![]() CM1000HA-28H |
![]() |
![]() IGBT MOD SGL 1400V 1000A H SER |
![]() Data Sheet |
![]() Negotiable |
|
||||||
(China (Mainland))










