Product Summary
The 7mbp50ra060 is an IGBT-IPM. Temperature protection provided by directly detecting the junction temperature of the 7mbp50ra06.
Parametrics
7mbp50ra06 absolute maximum ratings: (1) DC bus voltage VDC: 0 to 450V; (2) DC bus voltage (surge) VDC (surge) : 0 to 450V; (3) DC bus voltage (short operating) VSC: 200 to 400V; (4) Collector-Emitter voltage VCES: 0 to 600V; (5) DB Reverse voltage VR: 0 to 600V; (6) Collector current Ic: 50A (DC) , Icp: 100A (1ms) , -Ic: 50A (DC) ; (7) Collector power dissipation Pc: 198W (one transistor) ; (8) Junction temperature Tj: 150°C; (9) Input voltage of power supply for Pre-Driver Vcc: 0 to 20V; (10) Input signal voltage Vin: 0 to Vz V; (11) Input signal current lin: 1mA; (12) Alarm signal voltage VALM: 0 to Vcc V; (13) Alarm signal current IALM: 15mA; (14) Storage temperature Tstg: -40 to 125°C; (15) Operating case temperature Top: -20 to 100°C; (16) Operating case temperature
Isolating voltage (Case-Terminal) Viso: AC 2.5kV.
Features
7mbp50ra06 features: (1) Temperature protection provided by directly detecting the junction temperature of the IGBTs; (2) Low power loss and soft switching; (3) Compatible with existing IPM-N series package; (4) High performance and high reliability IGBT with overheating protection; (5) Higher reliability because of a big decrease in number of parts in built-in control circuit.
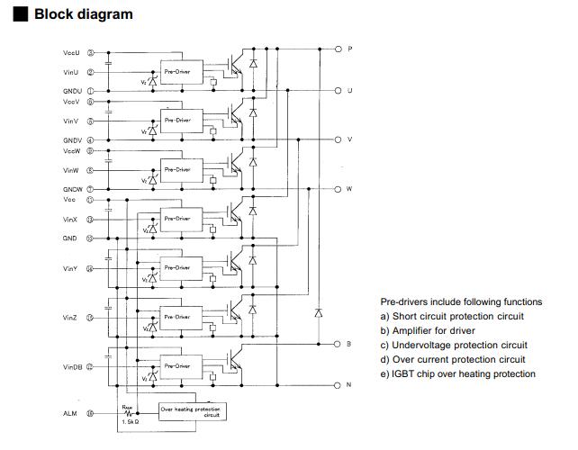
Diagrams

(China (Mainland))






