Product Summary
The 6MBP300KA-060 is an IGBT module. It is low power loss, soft switching, high performance and high reliability.
Parametrics
6MBP300KA-060 absolute maximum ratings:(1)DC bus voltage: 0 to 450 V; (2)DC bus voltage (surge): 0 to 500 V; (3)DC bus voltage (short operating): 200 to 400 V; (4)Collector-Emitter voltage: 0 to 600 V; (5)Junction temperature: 150℃; (6)Input voltage of power supply for Pre-Driver: 0 to 20 V; (7)Input signal voltage: 0 to Vz V; (8)Input signal current: 1 mA; (9)Alarm signal voltage: 0 to Vcc V; (10)Alarm signal current: 15 mA; (11)Storage temperature: -40℃ to +125℃; (12)Operating case temperature: -20℃ to +100℃; (13)Isolating voltage (Case-Terminal): AC2.5 kV.
Features
6MBP300KA-060 features:(1)Temperature protection provided by directly detecting the junction temperature of the IGBTs; (2)Low power loss and soft switching; (3)High performance and high reliability IGBT with overheating protection; (4)Higher reliability because of a big decrease in number of parts in built-in control circuit.
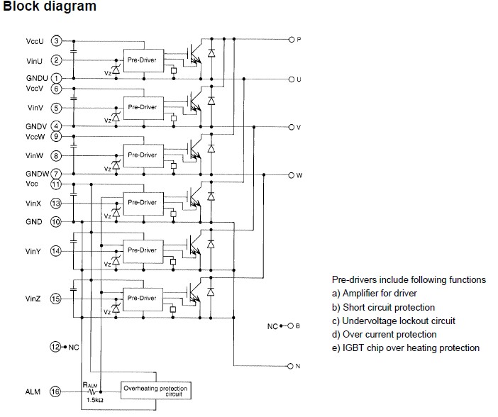
Diagrams

(China (Mainland))






